Más de 999+ Imagen fresca

Motor De Anillos Rozantes Funcionamiento

Motor De Anillos Rozantes By Juan Fernando Zalles Asbun

Anillos Rozantes Para Motores Electricos Embobinados Tecnicos

La Maquina Asincrona Ii Monografias Com

Instalaciones Con Maquinas Electricas Motores Asincronos De Rotor Bobinado

Ing Orlandophilco Jimdofree Com App Download Fundamentos De Los Motores El C3 ctricos Op Pdf T

Motores Trifasicos

Motores HELMKE de anillos rozantes asombran por su larga duración Los motores asincronos de anillos rozantes son el corazón de muchas aplicaciones de accionamientos en el segmento de elevadas potencias Son utilizados en la industria de las materias primas así como minerales y otras piedras o tambien en la industria de los aglomerantes como la obtención de cemento, cal y yeso para el accionamiento de machacadoras, prensas de rodilos y molinos pero tambien para el accionamiento de.

Motor de anillos rozantes funcionamiento. Motores modulares de anillos rozantes Los motores de anillo s rozantes se usan en aplicaciones que exigen un alto par o una baja corriente en el arranque Estos motores ofrecen la máxima disponibilidad y se recomiendan especialmente para aplicaciones con cargas de elevada inercia, como molinos o situaciones donde las condiciones de la red sean débiles. Motor trifásico de anillos rozantes para su arranque mediante reostato líquido Tipo DSVK;. Muchos ejemplos de oraciones traducidas contienen “motores de anillos rozantes” – Diccionario inglésespañol y buscador de traducciones en inglés.

Motores HELMKE de anillos rozantes asombran por su larga duración Los motores asincronos de anillos rozantes son el corazón de muchas aplicaciones de accionamientos en el segmento de elevadas potencias Son utilizados en la industria de las materias primas así como minerales y otras piedras o tambien en la industria de los aglomerantes como la obtención de cemento, cal y yeso para el accionamiento de machacadoras, prensas de rodilos y molinos pero tambien para el accionamiento de. En Corporativo Abastecedor Manufacturamos anillos rozantes para motores americanos y europeos para todo tipo de aplicaciones desde molinos, correas trasportadoras,revolvedoras, generadores eolicos, papeleras, para la industria de alambre y cable , soluciones para la industria de acero, sistemas especializados en hidrogeneradoras, en fin cualquier proyecto en el que nos permitan colaborar. Velocidad 496 rpm (12polos) IM 1001;.

CURSO GRATIS PARA PROFESIONALES EN MOTORES – ESPAÑOL Sistema de Encendido, Concepto de Sistema de Encendido, Elementos Comunes que lo Componen, Funcionamiento para Motor Otto y Motor Diesel, Distribuidor o Delco, Cable de Alta Tensión, Cables de Alta Tensión, Bobina, Bujías, Masas, El Sistema de Encendido, Tipos de Sistemas de Encendido, Elementos Especiales, El Sistema de Encendido. PRODIN es especialista en la fabricación de anillos rozantes y colectores Las principales aplicaciones van desde molinos, chancadores, correas transportadoras, palas de carguío minero y turbinas de generación eólica El amplio conocimiento y control absoluto de los anillos, los porta escobillas, y las escobillas de grafito permiten la entrega de una solución integrada para cada. 32 Motor de rotor bobinado y anillos rozantes 33 Motor de doble jaula de ardilla 34 Motor de inducción de ranura profunda 4 Campo magnético giratorio 5 Funcionamiento del motor 6 Motores monofásicos 61 De fase partida 62 Motor de fase partida con condensador 63 Variante del motor de arranque por condensador 6.

MOTOR DE ANILLOS ROZANTES Un motor de anillos rozantes o deslizantes, es un motor asíncrono, con dos bobinados, a saber El bobinado estatorico, como en un motor normal de jaula de ardilla, y El bobinado rotorico, es un bobinado instalado en la parte giratoria del motor, y que necesita de los anillos rozantes, para poder sacar al exterior las conexiones eléctricas de bobinado. Muchos ejemplos de oraciones traducidas contienen “motores de anillos rozantes” – Diccionario inglésespañol y buscador de traducciones en inglés. Los productos de Motores de anillos rozantes son los más populares de South America, North Americay Mid East Puede garantizar la seguridad de los productos seleccionando los proveedores certificados, incluidos los productos 52 con certificación ISO9001, 41 con certificación Other y 9 con certificación ISO.

Anillos Rozantes Somos fabricantes de anillos rozantes para motores y máquinas eléctricas Fabricamos anillos rozantes satisfaciendo las dimensiones y el número de pistas que requiere el cliente Nuestros anillos rozantes comúnmente son utilizados en aplicaciones de transmisión de corriente eléctrica y datos. Los anillos rozantes industriales de ConductixWampfler brindan la solución para transmitir energía eléctrica y señales eléctricas de unidades fijas a giratorias en toda clase de máquinas, como por ejemplo grúas giratorias, purificadores giratorios de aguas residuales o establecimientos de saneamiento de agua, carruseles, manipuladores, máquinas envolvedoras, radares y antenas. Motores de rotor bobinado y anillos rozantes Consiste en conectar en serie con el bobinado rotórico resistencias trifásicas externas que se van eliminando progresivamente durante el arranque Permite reducir la corriente de arranque manteniendo un elevado par de arranque Las condiciones de arranque resultantes vienen determinadas.

Como el campo magnético del inductor necesita mucha menos corriente que la que se va generar en el inducido, se necesitan unos anillos con un rozamiento menor Esta configuración la usan desde pequeños alternadores de coche hasta los generadores de centrales con potencias del orden del megavatio. Dentro de los motores que tienen anillos rozantes, se encuentra el motor trifásico con rotor bobinado, el cual, en su funcionamiento es similar a un motor trifásico de inducción con rotor en corto circuito, con la diferencia de que, como su nombre lo indica el rotor esta bobinado y este puede ser bifásico o trifásico. Unos anillos rozantes que conectarán la rueda polar del motor con el arrancador Consiste en acoplar, al eje del motor síncrono, el eje de otro motor cuya velocidad de funcionamiento sea superior a la del motor síncrono que se quiere arrancar Regulando el motor de arrastre de forma que su velocidad coincida con la de sincro.

El motor de anillos colectores es un motor asincrónico Los tres extremos del arrollamiento rotório conectados en estrella se conducen, vía anillos colectores o rotatorios con escobillas, a los bornes de conexión a los que se conectan resistencias en estrella (para el arranque y la regulación del resbalamiento). ARRANQUE DE LA M&cute;QUINA DE ANILLOS ROZANTES Dentro de los motores que tienen anillos rosantes, se encuentra el motor trifásico con rotor bobinado, el cual, en su funcionamiento es similar a un motor trifásico de inducción con rotor en corto circuito, con la diferencia de que, como su nombre lo indica el rotor esta. Anillos rozantes del alternador 1 Misión del circuito de carga El circuito de carga tiene la misión de generar la energía eléctrica que los circuitos eléctricos del vehículo necesitan para poder funcionar, circuito de encendido, gestión de motor, cambio automático, iluminación exterior, interior, maniobra, etc La corriente sobrante en la alimentación de circuitos, se emplea en recargar la batería.

Es usado para motores de baja potencia que necesitan realizan continuos arranques y paradas Rotor de anillos rozantes Se denominan rotores de anillos rozantes porque cada extremo del bobinado está conectado con un anillo situado en el eje del rotor Las fases del bobinado salen al exterior por medio de unas escobillas que rozan en los anillos. V, ± 10%, 50Hz, ± 2% ;. MOTOR DE ANILLOS ROZANTES Un motor de anillos rozantes o deslizantes, es un motor asíncrono, con dos bobinados, a saber El bobinado estatorico, como en un motor normal de jaula de ardilla, y El bobinado rotorico, es un bobinado instalado en la parte giratoria del motor, y que necesita de los anillos rozantes, para poder sacar al exterior las conexiones eléctricas de bobinado rotorico.

ANILLOS ROZANTES R SERIESLa línea R Series constituye el estándar de calidad en diseño de anillos rozantesSon robustos, construidos para una larga duración y de fácil mantenimiento, con la posibilidad de adaptarse a todo tipo de aplicaciones. MOTOR DE ANILLOS ROZANTES Un motor de anillos rozantes o deslizantes, es un motor asíncrono, con dos bobinados, a saber El bobinado estatorico, como en un motor normal de jaula de ardilla, y El bobinado rotorico, es un bobinado instalado en la parte giratoria del motor, y que necesita de los anillos rozantes, para poder sacar al exterior las conexiones eléctricas de bobinado. Motor de rotor bobinado y anillos rozantes En estos motores, el estator posee las mismas características que el motor con rotor en cortocircuito, pero el rotor se construye insertando un devanado trifásico en las ranuras de un núcleo cilíndrico de chapas magnéticas.

El motor asíncrono trifásico de anillos rozantes se acciona la carga mediante la forma aislada y se mantiene conectado por un lado en estrella Mientras que el motor jaula de ardilla, posee un cilindro ranurado que está estructurado por una serie de conductores de cobre o aluminio Va colocado en cortocircuito por dos anillos laterales. Los sistemas de anillos rozantes / colectores RieTech representan la excelencia dentro del campo de la transmisión y la transferencia de potencia y señal Su tecnología de contacto oro/oro asegura una alta calidad del contacto con una esperanza de vida máxima. Alto par de arranque, baja intensidad de corriente en el arranque, acción de arranque gradual y uniforme.

En los motores de rotor bobinado, el arrollamiento rotórico está constituido por unas bobinas de hilo de cobre por lo general 8 Y cuyos extremos están conexionados a unos anillos (anillos rozantes) por los que se alimentaran las bobinas. Datos tëcnicos 4500 kW ;. Motor trifásico de anillos rozantes para su arranque mediante reostato líquido Tipo DSVK;.

El motor de anillos rozantes se alimenta con tres fases, el rotor siempre debe estar conectado a una carga o debe estar en corto, de otro modo no funcionara debido a que no existe ninguna corriente en el rotor. Datos tëcnicos 4500 kW ;. El motor de anillos rozantes se alimenta con tres fases, el rotor siempre debe estar conectado a una carga o debe estar en corto, de otro modo no funcionara debido a que no existe ninguna corriente en el rotor Dentro de los motores que tienen anillos rosantes, se encuentra el motor trifsicocon rotor bobinado, el cual, en su funcionamiento es similar a un motor trifsico de induccin con rotor en corto circuito, con la diferencia de que, como su nombre lo indica el rotor esta bobinado y este.

Electrica y mecánicamente intercambiable con la maquina original. Many translated example sentences containing "motor de anillos rozantes" – EnglishSpanish dictionary and search engine for English translations Look up in Linguee;. Unos anillos rozantes que conectarán la rueda polar del motor con el arrancador Consiste en acoplar, al eje del motor síncrono, el eje de otro motor cuya velocidad de funcionamiento sea superior a la del motor síncrono que se quiere arrancar Regulando el motor de arrastre de forma que su velocidad coincida con la de sincro.

ANILLOS ROZANTES PARA MOTORES ELÉCTRICOS Los motores de anillos rozantes tienen el mismo principio de funcionamiento que el motor jaula de ardilla, ya que el campo magnético rotatorio es establecido por el devanado del estator el cual reacciona a través de la inducción hacia el rotor Este tipo de motores son controlados por bancos de resistencias y nos da las siguientes ventajas;. El principio de funcionamiento del motor de anillos rozantes es un motor de rotor, que tiene un sistema motorizado el cual levanta unas escobillas Este proceso ayuda al sistema a conectar el circuito que tiene el rotor para que funcione Su objetivo es que la maquinaria funcione adecuadamente. Table of Contents Table of Contents 1 Electrónica de potencia, Máquinas eléctricas, Tecnología de accionamientos 2 Máquinas eléctricas 1kW 2 EEM 41 Máquinas asíncronas 1kW 3 EEM 441 Motor trifásico de anillos rozantes (rotor de anillos rozantes) 1kW 4 Lucas Nülle GmbH Página 1/17 wwwlucasnuellees Electr&oacute.

Es usado para motores de baja potencia que necesitan realizan continuos arranques y paradas Arrancadores de anillos de friccion Página 6 Rotor de anillos rozantes Se denominan rotores de anillos rozantes porque cada extremo del bobinado está conectado con un anillo situado en el eje del rotor. MOTOR DE ANILLOS ROZANTES Un motor de anillos rozantes o deslizantes, es un motor asncrono, con dos bobinados, a saber El bobinado estatorico, como en un motor normal de jaula de ardilla, y El bobinado rotorico, es un bobinado instalado en la parte giratoria del motor, y que necesita de los anillos rozantes, para poder sacar al exterior las conexiones elctricas de bobinado rotorico. Este es un estudio de varios motores de polos sombreados similares, aplicables a un mismo electrodoméstico Consiste en lo siguiente • Reproducir aproximadamente, acoplados a un dinamómetro, sus condiciones de funcionamiento normales en carga nominal, a los fines de obtener y analizar los parámetros de entrada y salida y las temperaturas.

El giro del rotor se produce mediante una máquina impulsora (Motor diesel, turbina de vapor, de gas, hidráulica, eólica), que mantiene una velocidad angular constante La alimentación del electroimán se logra a través de un par de anillos rozantes que permiten la continuidad eléctrica entre una parte fija y una parte móvil. 74 50 1 2 Motores asíncronos trifásicos cerrados de rotor de jaula o de anillos rozantes Instalación y mantenimiento 3770 es 0703 / a Estas instrucciones deben. Table of Contents Table of Contents 1 Electrónica de potencia, Máquinas eléctricas, Tecnología de accionamientos 2 Máquinas eléctricas 1kW 2 EEM 41 Máquinas asíncronas 1kW 3 EEM 441 Motor trifásico de anillos rozantes (rotor de anillos rozantes) 1kW 4 Lucas Nülle GmbH Página 1/17 wwwlucasnuellees Electr&oacute.

32 Motor de rotor bobinado y anillos rozantes 33 Motor de doble jaula de ardilla 34 Motor de inducción de ranura profunda 4 Campo magnético giratorio 5 Funcionamiento del motor 6 Motores monofásicos 61 De fase partida 62 Motor de fase partida con condensador 63 Variante del motor de arranque por condensador 6. Dentro de los motores que tienen anillos rozantes se encuentra el motor trifásico con rotor bobinado, el cual, en su funcionamiento es similar a un motor trifásico de inducción con rotor en. Escuela politÉcnica nacional escuela de formaciÓn de tecnÓlogos manual de tipos de motores elÉctricos, reconocimiento y sus aplicaciones en la.

En motores de alta potencia y tensin, dependiendo de la maquina accionada, y de las necesidades de par de arranque, se puede utilizar este sistema como sistema de arranque, cortocircuitando al final del arranque las resistencias, aunque se suele dejar un pequeo valor externo, dependiendo del tipo de maquina accionada MOTOR DE ANILLOS ROZANTES. Anillos rozantes para las máquinas con rotor devanado en donde se usan anillos rozantes Éstos estÁn fabricados por lo general de bronce o bien de bronce con un cierto contenido de fÓsforo, estÁn soportados por elementos de fierro sin tener contacto directo con Éstos, por tener un aislamiento de mica, los anillos rozantes 15 motores de inducción y especiales unidad 1 estÁn montados, ya sea entre el nÚclÉo del rotor y las escobillas o en la extension del eje o flecha, en este Último. En motores de alta potencia y tensin, dependiendo de la maquina accionada, y de las necesidades de par de arranque, se puede utilizar este sistema como sistema de arranque, cortocircuitando al final del arranque las resistencias, aunque se suele dejar un pequeo valor externo, dependiendo del tipo de maquina accionada MOTOR DE ANILLOS ROZANTES.

Un motor de anillos rozantes o deslizantes, es un motor asíncrono, con dos bobinados, a saber El bobinado estatorico, como en un motor normal de jaula de ardilla, y El bobinado rotorico, es un bobinado instalado en la parte giratoria del motor, y que necesita de los anillos rozantes, para poder sacar al exterior las conexiones eléctricas. Electrica y mecánicamente intercambiable con la maquina original. Suggest as a translation of "motor de anillos rozantes" las exigencias en cuanto a la duración de funcionamiento de la carga de grasa y al efecto de las obturaciones.

Estos Anillos Rozantes son diseñados con Porta escobillas y escobillas de carbón especificas para su correcto funcionamiento ANILLOS ROZANTES Contamos con la fabricación de colectores especiales y Anillos Rozantes de importación o que estén descontinuados del mercado nacional. DEFICINICIÓN MOTOR DE ANILLOS ROZANTES Es un motor asíncrono, con dos bobinados, a saber El bobinado estatorico, como en un motor normal de jaula de ardilla El bobinado rotorico, es un bobinado instalado en la parte giratoria del motor, y que necesita de los anillos. Los motores de mayor 3 os motores que admiten las conexiones estrella y tringulo son alimentados por dos tensiones diferentes, 230 V y 400 V, siendo especificado en su placa de caractersticas ESR Anillos Rozantes Este tipo de anillo rozantes est basado en la tecnologa de gold/gold.

Anillos rozantes para las máquinas con rotor devanado en donde se usan anillos rozantes Éstos estÁn fabricados por lo general de bronce o bien de bronce con un cierto contenido de fÓsforo, estÁn soportados por elementos de fierro sin tener contacto directo con Éstos, por tener un aislamiento de mica, los anillos rozantes 15 motores de inducción y especiales unidad 1 estÁn montados, ya sea entre el nÚclÉo del rotor y las escobillas o en la extension del eje o flecha, en este Último. Los motores eléctricos solían tener un colector de delgas o un par de anillos rozantes Estos sistemas , que producen rozamiento, disminuyen el rendimiento, desprenden calor y ruido , requieren mucho mantenimiento y pueden producir partículas de carbón que manchan el motor de un polvo que, además, puede ser conductor. El principio de funcionamiento del motor de anillos rozantes es un motor de rotor, que tiene un sistema motorizado el cual levanta unas escobillas Este proceso ayuda al sistema a conectar el circuito que tiene el rotor para que funcione Su objetivo es que la maquinaria funcione adecuadamente Ayuda a que también se pueda regular la velocidad.

La corriente absorbida y la velocidad de giro 3 MOTORES DE ROTOR DE ANILLOS ROZANTES Son motores asíncronos con un devanado trifásico de cobre dispuesto en las ranuras de rotor, que va conectado a tres anillos metálicos por uno de sus extremos, en tanto que, por el otro lado se conectan en estrella.

1 4 2 Motor De Rotor Bobinado Y Anillos Rozantes E09 Maquinas Rotativas De Corriente Alterna

Motor Trifasico De Anillos Rozantes By Patricio Lecaros

Motor De Anillos Rozantes Trabajo Ingenieria Electrica Electromagnetismo

1mecanizadoelarenal Files Wordpress Com 14 11 Introduccion Motores Ca Pdf

La Maquina Asincrona I Monografias Com

Calameo Maquinas Rotatorias Vaf

El Alternador Te Explicamos Para Que Sirve Sus Partes Y Como Funciona

Anillos Rozantes Para Motores Electricos Embobinados Tecnicos

Preparatorio 8 Maquinas 123 Espe Studocu

Motor De Anillos Rozantes Weg

Nanopdf Com Download Tema 6 5b26ae8df35 Pdf

Pdf Eficiencia En Motores Electricos Solomeo Paredes Academia Edu

Core Ac Uk Download Pdf Pdf

Conexiones De Motores Motor De Anillos Rozantes

Motor Jcon Rotor Jaula De Ardilla

Arranque De Motores Asincronicos Monografias Com

Motor Trifasico De Rotor Devanado Youtube

1mecanizadoelarenal Files Wordpress Com 14 11 Introduccion Motores Ca Pdf

Arranque Frenado Proteccion Analisis De Fallas Y Proteccion Para Motores

Arranque Rotorico Con Resistencias

Www Leroy Somer Com Documentation Pdf Notices 3770a Es Pdf

Partes Motor Trifasico Jaula De Ardilla By Ricardo Mariscal Issuu

Motor Electrico Trifasico Monografias Com

Ppt Maquinas Electricas Powerpoint Presentation Free Download Id

Motores Electricos

Anillos Y Colectores Prodin

Mantenimiento Para Motores Asincronos Trifasicos De Anillos Rozantes

Motores Electricos

1mecanizadoelarenal Files Wordpress Com 14 11 Introduccion Motores Ca Pdf

Arranque Rotorico Con Resistencias

Aspectos Constructivos Generalidades Ppt Descargar

Insteleaut Arranque De Un Motor De Anillos Rozantes A Traves De Resistencias Rotoricas

Ii

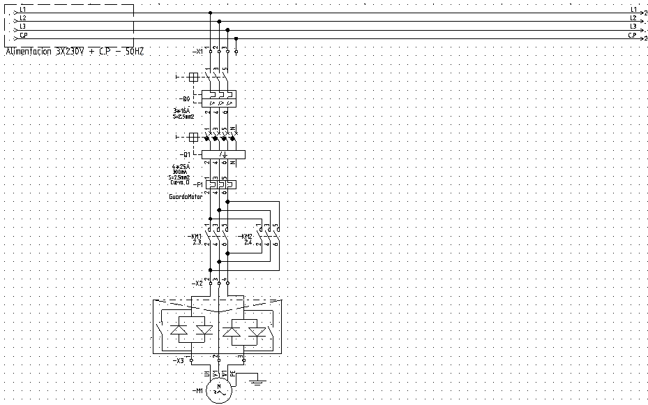
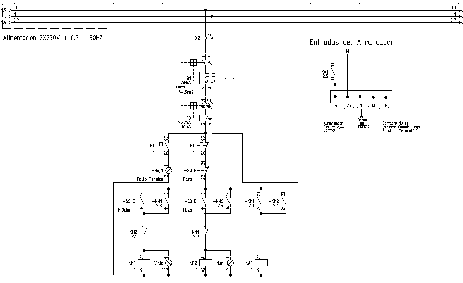
Xdocs Pl Doc Diagramas De Control Festo l75d8x

Como Funciona Un Motor Asincrono Trifasico Tienda Online De Motores Electricos

Funcionamiento Del Motor Asincrono Trifasico Profe Tolocka

Actuadores En Sistemas De Control Pagina 2 Monografias Com

Motor De Anillos Colectores Ecured

Anillos Rozantes Youtube

1mecanizadoelarenal Files Wordpress Com 14 11 Introduccion Motores Ca Pdf

Motores Electricos

Anillos Y Colectores Prodin

Ppt Maquinas Electricas Powerpoint Presentation Free Download Id

Motor De Anillos Rozantes Definicion Pdf

Arranque Rotorico Con Resistencias

Generador Electrico De Anillos Rozantes Youtube

Motores Electricos Desde 2 V Hasta V

Motores Electricos

Arrancador De Anillos Rozantes Pdf Free Download

1mecanizadoelarenal Files Wordpress Com 14 11 Introduccion Motores Ca Pdf

Doc Motor Asincrono Sincronizado Jonathan Rodriguez Academia Edu

Www Acta Es Medios Articulos Ciencias Y Tecnologia Pdf

Motores Asincronos De Induccion

Quimica Generadores Y Motor Electrico

Motores Modulares De Anillos Rozantes Motores De Induccion De Alta Tension Abb

Funcionamiento Del Motor Asincrono Trifasico Profe Tolocka

Anillos Rozantes Para Motores Electricos Embobinados Tecnicos

Conmutatriz Wikiwand

Solucion Ideal Para La Industria Minera Weg Presenta Su Nueva Serie M Mining De Motores De Anillos Rozantes Actualidad Retema

1 4 2 Motor De Rotor Bobinado Y Anillos Rozantes E09 Maquinas Rotativas De Corriente Alterna

Motores Electricos

Motor Westinghouse Rotor Bobinado Con Anillos Rozantes Mercadolibre Com Mx

Pruebas De Entrada Motor De 40 Hp Anillos Rozantes Estator Youtube

1mecanizadoelarenal Files Wordpress Com 14 11 Introduccion Motores Ca Pdf

Motores Electricos

Obeki Soluciones Para Maquinaria Electrica Motores Y Generadores Para La Industria Naval

Rotor De Jaula De Ardilla Ecured

Http Andresmejiafelipe Blogspot Com 14 11 Motor Electrico Es Es Una Maquina Html

Motor De Anillos Rozantes Con Componentes De Grafito Esgraf

Ventajas De Los Motores De Induccion

Anillos Rozantes Colectores Corporativo Abastecedor Industrial

Http Www3 Fi Mdp Edu Ar Electrica Maquinasyaccionamientos Subir 1 Teoria Apuntes De Catedra Mae 19 Apunte Catedra6 Introduccion Motor Trifasico De Induccion Pdf

Motores Electricos

Anillos Rozantes Para Motores Electricos Embobinados Tecnicos

Motor De Anillos Rozantes Tasas Temporales Filosofia Natural

Nanopdf Com Download Arrancador De Anillos Rozantes Pdf

Arrancador De Anillos Rozantes

Motor De Anillos Rozantes Weg

Motor Trifasico Asincrono Electrope

Ticgalicia El Motor De Jaula De Ardilla La Base De Los Coches Electricos

Http Sd77ebd85b76 Jimcontent Com Download Version Module Name 6 proteccion y control Pdf

Anillos Rozantes Para Motores Electricos Embobinados Tecnicos

El Motor De Induccion Trifasico Rotor Devanado

Motores Electricos

La Caja De Bornes Est Ubicada En La Parte Superior Del Motor Y Su Proteccion Course Hero

Motor Electrico Sin Escobillas Wikipedia La Enciclopedia Libre

Arranque Frenado Proteccion Analisis De Fallas Y Proteccion Para Motores

Core Ac Uk Download Pdf Pdf

Maquina De Induccion Seuv

Refrigeracion Desde Casa Motores Con Rotor Bobinado O Anillos Rozantes Buena Informacion

Motor Asincrono Wikipedia La Enciclopedia Libre

Insteleaut Arranque De Un Motor De Anillos Rozantes A Traves De Resistencias Rotoricas

Eficiencia Energetica En Motores Electricos

Anillos Y Colectores Prodin