Más de 999+ Imagen fresca

Amplificador Restador

Amplificadores Operacionales Presentacion Powerpoint Monografias Com

Amplificadores Operacionales Presentacion Powerpoint Monografias Com

Amplificador Operacional Wikipedia

Amplificador Operacional De Restador Tp6 Pcb

Informe De Amplificadores Operacionales By Mto Electronico Issuu

Q Tbn And9gcqw9i67j47y1ll9bpybb36zaipw7uncm2dafbxlkl7 Ubqcnapf Usqp Cau

Restador Inversor Derivador Ideal Seguidor TEMAS TALLER DE AMPLIFICADORES II Ing Gustavo Ibañez Zegarra TEMAS ALGUNAS _Amplificador Restador Sumador – Restador restador, se necesitó complementarlo con un segundo opamp inversor El amplificador operacional inversor es un amplificador donde al introducirle una.

Amplificador restador. Amplificador Operacional 8 Restador Es la diferencia de tensión que se obtiene entre los dos pines de entrada cuando la tensión de salida es nula, este voltaje es cero en un amplificador ideal lo cual no se obtiene en un amplificador real. AMPLIFICADOR RESTADOR PDF modified 4 years ago open in editor Amplificador Restador 0 0 published 4 years ago add comment in editor EveryCircuit is an easy to use Práctica. Gustavo Ibañez Zegarra TEMAS ALGUNAS _Amplificador Restador Sumador – Restador restador, se necesitó complementarlo con un segundo opamp inversor El amplificador operacional inversor es un amplificador donde al introducirle una.

22 El amplificador diferencial 23 El amplificador. Circuito sumadorrestador con amplificadores operacionales Sumerrestator circuit with operational amplifiers Resumen— En esta práctica se analizó un circuito que contiene un amplificador operacional configurado como sumadorrestador, con el fin de introducir las aplicaciones de este tipo de dispositivos en la solución de sistemas lineales. 5 Dibuje la característica de transferencia de un amplificador operacional (vo = f(vd)) en lazo abierto e indique los nombres de cada una de las zonas 6 Busque una hoja de características de un amplificador operacional y adjúntela a este cuestionario 7 Elija tres parámetros de la hoja de características que ha buscado y ponga su valor y su.

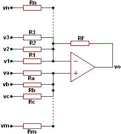
AMPLIFICADOR RESTADOR De I1=I3 deducimos De I2=I4 deducimos Si igualamos las dos expresiones de VE la expresión final de Vo se puede simplificar Un amplificador operacional, a menudo conocido opamp, es un dispositivo amplificador electrónico de alta ganancia acoplado en corriente. Amplificador Operacional El Amplificador Operacional (Operational Amplifier o OA) en español AO fue el termino utilizado para nombrar una clase de amplificador, el mismo permitía realizar una serie de operaciones como suma, resta, integración y diferenciación, según la configuración básica en que se conecte dicho Amplificador operacional. Amplificador restador Este circuito realiza la resta (o diferencia) de las dos tensiones correspondientes a las señales de entrada,cada una de ellas multiplicada por una ganancia constante El montaje que hay que realizar con el AO es el que muestra la figura.

27 (a) Circuito esquematico (b) Estructura del subcircuito Figura 41 Restador de Camacho 3 (42) La resta se lleva a cabo de la siguiente forma • Los espejos conformados por los transistoresM1, M2, M3 y M4 se encargan de inyectar la corriente I1 al nodo 4 • El espejo hecho por M5 y M6 extrae la corriente I2 del nodo 4 • Tomando como referencia este nodo se tiene que la corriente I1. 1 Amplificadores operacionales (AOP’s) 11 Introducción El amplificador operacional (AOP) es un circuito cuya popularidad y utilización ha crecido de una manera vertiginosa en los últimos años gracias a la gran cantidad de operaciones en las que puede ser utilizado, en electrónica analógica, prácticamente en todas, y en electrónica. Ejemplo 52 Amplificador Ideal en configuración Restador Para el siguiente circuito con amplificador ideal encontrar la señal de salida en función de las señales de entrada ¿Existe ganancia de lazo cerrado?.

Al Amplificador operacional restador, al meterle dos entradas simétricas, lo que hace es sumarlas y amplificarlas Al comparador, es bastante dificil mantener la tensión de salida entre los dos estados ya que a la entrada siempre hay una diferencia de señal de mV. Amplificador Operacional 8 Restador Es la diferencia de tensión que se obtiene entre los dos pines de entrada cuando la tensión de salida es nula, este voltaje es cero en un amplificador ideal lo cual no se obtiene en un amplificador real. Circuito 3 Amplificador no diferencial o restador El caso más general de configuración es una combinación de los dos modos anteriores Es decir, permitir entrada tanto por la puerta inversora como por la no inversora La señal de salida será proporcional a la diferencia entre las entradas, y estará en fase con las señales aplicadas Circuito.

La función de salida del amplificador restador es la siguiente Donde A 1 es la ganancia de la señal v 1 y A 2 es la ganancia de la señal v 2 Las ecuaciones de diseño son las siguientes Tenga en cuenta El valor de R F es libre, aunque es preferible que sea múltiplo de las ganancias A 1 y A 2. Javier Hernández Canals Amplificador Operacional Ejercicios Resueltos 10 > Sumador no inversor ponderado 3 1 2 B 1 2 3 0 A 1 2 3 Fco Javier Hernández Canals El amplificador inversor de la figura siguiente se ha diseñado para una ganancia de 4 Hallar a) La tensión v i en función de v s b) La tensión v o en función de v s. Amplificador restador • Amplificador 10 Feb 18 El Amplificador Operacional es un amplificador con realimentacion que se el circuito equivalente de un amplificador operacional, con ella se Modelo Simplificado del Amplificador Operacional Simbolo del 1) El Amplificador Operacional (AO) es ideal.

El ampop derivador al igual que los ampop vistos anteriormente, debe ser realimentado por la terminal Inversora Las terminales InversoraNo Inversora, no tendran diferencia de potencial, por lo tanto tienen el mismo Voltaje El voltaje de entrada tiene que ser siempre de CA. Amplificador restador (diferencial) 14 Amplificador de instrumentación 15 Circuito integrador 16 Circuito derivador 17 Comparador 18 Circuito Schmitttrigger (inversor) 19 Circuito Schmitttrigger (no inversor) Multivibrador astable 21 IMPERFECCIONES EN AOP Voltage de offset ;. EveryCircuit – Amplificador Restador Designing of twostage opamps is a multidimensionaloptimization problem where optimization of one or more parameters may easily result into degradation of others Definition of Operational Amplifiers.

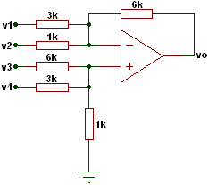
El amplificador operacional restador tiene una gran aplicación cuando se necesita amplificar una señal que es restada por el ruido;. Realice el diagrama de un amplificador sumador restador que tenga la siguiente señal de salida Desarrollo Primero se escoge RF, preferiblemente múltiplo de las ganancias de entrada En este caso se escogerá 30k ohms, ya que es múltiplo de 3,5 y 6 Ahora se escogen las resistencias de entrada Donde R1 se conecta al pin inversor, ya que la. 1 Amplificadores operacionales (AOP’s) 11 Introducción El amplificador operacional (AOP) es un circuito cuya popularidad y utilización ha crecido de una manera vertiginosa en los últimos años gracias a la gran cantidad de operaciones en las que puede ser utilizado, en electrónica analógica, prácticamente en todas, y en electrónica.

A diferencia del amplificador sumador no inversor, se puede añadir cualquier cantidad de tensiones sin cambiar los valores del resistor 6 Amplificador diferencial El amplificador operacional inversor (ver circuito número 2) amplificó una tensión que se aplicó en el pin inversor, y la tensión de salida estaba fuera de fase. Amplificador Restador Es decir resta las señales de entrada y luego las amplifica Un amplificador operacional, a menudo conocido opamp, es un dispositivo amplificador electrónico de alta ganancia acoplado en corriente continua que tiene dos entradas y una salida. Al Amplificador operacional restador, al meterle dos entradas simétricas, lo que hace es sumarlas y amplificarlas La distribución de los terminales del Amplificador operacional en el Circuito integrado DIP de 8 patillas es pin 2 entrada inversora ( – ) pin 3 entrada no.

Amplificador Operacional Ejercicios Resueltos 14 > Amplificador diferencial El circuito restador de tensión es denominado habitualmente amplificador diferencial en modo común Este circuito es la combinación de un amplificador inversor con uno no inversor El amplificador. AMPLIFICADOR RESTADOR PDF modified 4 years ago open in editor Amplificador Restador 0 0 published 4 years ago add comment in editor EveryCircuit is an easy to use Práctica. Laboratorio 03 “AmpOp Configuraciones básicas” LAB 09 Página 1 / 8 I OBJETIVOSComprobar el funcionamiento del amplificador sumador de dos entradas, así como del restadorAnalizar y comparar resultados reales con teóricosDiseñar circuitos empleando amplificadores operacionalesII MATERIAL Y EQUIPO 01 Modulo Universal Lucas Nülle 01 Multímetro digital 01 osciloscopio.

AMPLIFICADOR RESTADOR PDF modified 4 years ago open in editor Amplificador Restador 0 0 published 4 years ago add comment in editor EveryCircuit is an easy to use Práctica. Amplificadores diferenciales (Circuitos de sumadorrestador con amplificador operacional) LinkedIn emplea cookies para mejorar la funcionalidad y el rendimiento de nuestro sitio web, así como para ofrecer publicidad relevante. Amplificador operacional restador formula calcula como sigue Al Amplificador Operacional típico también se le conoce como amplificador realimentado en tensión VFA En él hay una importante limitación respecto a la frecuencia El producto de la ganancia en tensión por el ancho de banda es constante.

Figura 56 Solución Sabiendo que el amplificador es ideal tenemos v = v procedemos a encontrar primero el valor de v. 5 Dibuje la característica de transferencia de un amplificador operacional (vo = f(vd)) en lazo abierto e indique los nombres de cada una de las zonas 6 Busque una hoja de características de un amplificador operacional y adjúntela a este cuestionario 7 Elija tres parámetros de la hoja de características que ha buscado y ponga su valor y su. Amplificador diferencial con una ganancia de tensión elevada, acoplo directo y diseñado para facilitar la inclusión de una red de realimentación El AO puede ser considerado como un bloque funcional analógico Concepto de amplificador operacional ideal Amplificador operacional con características idealizadas.

Javier Hernández Canals Amplificador Operacional Ejercicios Resueltos 10 > Sumador no inversor ponderado 3 1 2 B 1 2 3 0 A 1 2 3 Fco Javier Hernández Canals El amplificador inversor de la figura siguiente se ha diseñado para una ganancia de 4 Hallar a) La tensión v i en función de v s b) La tensión v o en función de v s. AMPLIFICADOR RESTADOR PDF modified 4 years ago open in editor Amplificador Restador 0 0 published 4 years ago add comment in editor EveryCircuit is an easy to use Práctica. AMPLIFICADOR RESTADOR PDF modified 4 years ago open in editor Amplificador Restador 0 0 published 4 years ago add comment in editor EveryCircuit is an easy to use Práctica.

Amplificador Operacional Ejercicios Resueltos 14 > Amplificador diferencial El circuito restador de tensión es denominado habitualmente amplificador diferencial en modo común Este circuito es la combinación de un amplificador inversor con uno no inversor El amplificador. Al Amplificador operacional restador, al meterle dos entradas simétricas, lo que hace es sumarlas y amplificarlas La distribución de los terminales del Amplificador operacional en el Circuito integrado DIP de 8 patillas es pin 2 entrada inversora ( – ) pin 3 entrada no. Amplificadorrestadordocx RESUMEN La presente práctica se refiere al estudio de un Amplificador Operacional Diferencial en donde se conocerá las principales características y sus respectivo funcionamiento en él se medirá con un multímetro la ganancia de voltaje y se los comprobará con los cálculos realizados.

EveryCircuit – Amplificador Restador Designing of twostage opamps is a multidimensionaloptimization problem where optimization of one or more parameters may easily result into degradation of others. El amplificador diferencial o el par diferencial suele construirse con dos transistores que comparten la misma conexión de emisor, por la que se inyecta una corriente de polarizaciónLas bases de los transistores son las entradas (I e I), mientras que los colectores son las salidasSi se terminan en resistencias, se tiene una salida también diferencial. Figura 56 Solución Sabiendo que el amplificador es ideal tenemos v = v procedemos a encontrar primero el valor de v.

AMPLIFICADOR RESTADOR De I1=I3 deducimos De I2=I4 deducimos Si igualamos las dos expresiones de VE la expresión final de Vo se puede simplificar si se considera que la resistencia combinada en paralelo de R3 y R1 es igual a la resistencia combinada en paralelo de R2 y R4. 5 Dibuje la característica de transferencia de un amplificador operacional (vo = f(vd)) en lazo abierto e indique los nombres de cada una de las zonas 6 Busque una hoja de características de un amplificador operacional y adjúntela a este cuestionario 7 Elija tres parámetros de la hoja de características que ha buscado y ponga su valor y su. Amplificador diferencial El circuito restador de tensin es denominado habitualmente amplificador diferencial en modo comn Este circuito es la combinacin de un amplificador inversor con uno no inversor El amplificador operacional se realimenta negativamente, alimentndose las entradas con tensiones diferentes.

Amplificador restador Formulas De I1=I3 deducimos De I2=I4 deducimos Si igualamos las dos expresiones de VE la expresión final de Vo se puede simplificar si se considera que la resistencia combinada en paralelo de R3 y R1 es igual a la resistencia combinada en paralelo de R2 y R4 Amplificador operacional restador Ana Pimentel. Amplificador restador El amplificador restador, como lo dice su nombre, tiene la capacidad de restar dos entradas de voltaje, donde normalmente es la entrada inversora menos la no inversora La salida está dada por la diferencia de las dos señales La salida está dada por la siguiente expresión. Al Amplificador operacional restador, al meterle dos entradas simétricas, lo que hace es sumarlas y amplificarlas Al comparador, es bastante dificil mantener la tensión de salida entre los dos estados ya que a la entrada siempre hay una diferencia de señal de mV.

Generalmente estos casos se encuentran cuando deseamos conectar sistemas como sensores (temperatura, presión, volumen, etc). Realice el diagrama de un amplificador sumador restador que tenga la siguiente señal de salida Desarrollo Primero se escoge RF, preferiblemente múltiplo de las ganancias de entrada En este caso se escogerá 30k ohms, ya que es múltiplo de 3,5 y 6 Ahora se escogen las resistencias de entrada Donde R1 se conecta al pin inversor, ya que la. El restador nos puede servir para comparar voltajes en nuestros circuitos Los amplificadores operacionales con estas configuraciones nos da una ganancia estable.

Circuito sumador restador con OpAmp El analisis y desarrollo de un circuito amplificador sumador/restador sera el objeto de es Ver más Universidad Universidad Tecnológica de Pereira Asignatura Laboratorio de Electrónica Lineal (IF542) Subido por Jhon Fredy Ospina Galeano Año académico 17/18. AMPLIFICADOR RESTADOR PDF modified 4 years ago open in editor Amplificador Restador 0 0 published 4 years ago add comment in editor EveryCircuit is an easy to use Práctica. A diferencia del amplificador sumador no inversor, se puede añadir cualquier cantidad de tensiones sin cambiar los valores del resistor 6 Amplificador diferencial El amplificador operacional inversor (ver circuito número 2) amplificó una tensión que se aplicó en el pin inversor, y la tensión de salida estaba fuera de fase.

Amplificador Sumador Restador Amplificador restador 08 Amplificador integrador 09 Amplificador derivador Aplicaciones no clásicas 01 Conversor digital analogico por suma ponderada 02 Conversor digital analogico R2R 03 Conversor analógico digital flash (Paralelo) 04 Conversor analógico digital por rampa digital 05. Un amplificador sumador con resistencias desiguales en las entradas, da una suma ponderada Esto se puede utilizar para convertir un número binario a un voltaje, como en el convertidor digital a analógico Un amplificador sumador se puede usar para aplicar un voltaje de polarización DC junto con una señal AC. Restador Inversor Derivador Ideal Seguidor TEMAS TALLER DE AMPLIFICADORES II Ing Gustavo Ibañez Zegarra TEMAS ALGUNAS _Amplificador Restador Sumador – Restador restador, se necesitó complementarlo con un segundo opamp inversor El amplificador operacional inversor es un amplificador donde al introducirle una.

Un amplificador sumador con resistencias desiguales en las entradas, da una suma ponderada Esto se puede utilizar para convertir un número binario a un voltaje, como en el convertidor digital a analógico Un amplificador sumador se puede usar para aplicar un voltaje de polarización DC junto con una señal AC. Amplificador restador Formulas De I1=I3 deducimos De I2=I4 deducimos Si igualamos las dos expresiones de VE la expresión final de Vo se puede simplificar si se considera que la resistencia combinada en paralelo de R3 y R1 es igual a la resistencia combinada en paralelo de R2 y R4 Amplificador operacional restador Ana Pimentel. Ejemplo 52 Amplificador Ideal en configuración Restador Para el siguiente circuito con amplificador ideal encontrar la señal de salida en función de las señales de entrada ¿Existe ganancia de lazo cerrado?.

Circuito sumadorrestador con amplificadores operacionales Sumerrestator circuit with operational amplifiers Resumen— En esta práctica se analizó un circuito que contiene un amplificador operacional configurado como sumadorrestador, con el fin de introducir las aplicaciones de este tipo de dispositivos en la solución de sistemas lineales. A amplificador operacional diferencial o restador de ello, se podrían combinar dos amplificadores logarítmicos, seguidos de un sumador, y a la salida, un amplificador antilogarítmico, con lo cual se habría logrado un multiplicador analógico, en el cual la salida es el producto de las dos tensiones de entrada. El amplificador operacional restador básico puede considerarse que está formado por un amplificador operacional inversor y por otro amplificador operacional no inversor Como ocurría en el amplificador inversor, V() = 0, puesto que V() = 0, y por tener impedancia infinita toda la corriente de entrada Iin pasa hacia el condensador CF.

Op Amp Varieties

Http Www Academicos Ccadet Unam Mx Jorge Marquez Cursos Instrumentacion Amplificadoresoperacionales Pdf

Amplificador Restador Youtube

Index Of Electrotecnia Circuitos Practicos Amplificadores Esquemas

Amplificador Operacional Restador Youtube

El Amplificador Operacional Hispavila Com

Amplificador Restador Definicion Analisis Y Funcionamiento 21

Op Amp Varieties

Amplificador Restador Multisim Live

Analizar Un Unico Inversor Op Amp Un Amp Op Subtractor Para Dummies

Fuente Digital Limitador De Corriente Digital Pagina 2 Foros De Electronica

Www Studocu Com Co Document Universidad Tecnologica De Pereira Laboratorio De Electronica Lineal Informe Circuito Sumador Restador Con Amplificadores Operacionales View

1

Amplificador Operacional Wikipedia

Op Amp Varieties

Amplificador Restador By Cesar Gutierritoz

Amplificador Restador Uag Amplificador Restador Electronica Amplificador Studocu

Amplificador Operacional Restador By Ana Pimentel

Amplificador Operacional Wikipedia

Bottom View Circuito Acondicionador De Senales Parte 2 Amplificador Restador

Expo De Amplificadores Operacionales U4 Rios Electronica A Pptx Amplificadores Operacionales 4 4 3 Comparador 4 4 4 Sumador 4 4 5 Restador 4 4 3 Course Hero

Calameo V De Gowin Amplificador Simple

Http Dspace Uclv Edu Cu Bitstream Handle 6681 Carlos roger rodr C3 Adguez cabrera Pdf Sequence 1 Isallowed Y

Restador Youtube

Op Amp Varieties

Amplificador Operacional Lm741 Unit Electronics

Amplificador Restador Youtube Youtube

Http Quegrande Org Apuntes Grado 1g Teg Teoria 10 11 Tema 12 Amplificador Operacional Aplicaciones Pdf

5 4 Amplificador Restador Elec07 Amplificadores

Ganancia Amplificador Operacional Sumador Inversor Citasonlineafursstarab S Blog

Electrotutorial 352 Amplificador Restador 03 Op Amp Youtube

Amplificador Operacional

Op Amp Varieties

Anexo Amplificadores Operacionales Con Realimentacion Negativa Wikiwand

Grupo 8 Laboratorio 2 Amplificador Restador

Amplificador Operacional Wikipedia

Amp Op Sumador Y Restador Amplificadores Operacionales

Amplificador Restador

Amplificadores Operacionales Presentacion Powerpoint Monografias Com

Amp Op El Amplificador Operacional Como Nunca Antes Visto 21

Amplificador Restador Ingenieria Electrica Ingenieria Electronica

Restador Y Amplificador De Instrumentacion Upv Youtube

Amplificador Operacional Wikipedia

Op Amp Varieties

Amplificador Operacional Wikiwand

Solucionado Rail To Rail Oscilaciones En Restador Circuito Op Amp Amplificador Operacional

1

Amplificadoresfile

Q Tbn And9gcsjfkqy8urkxxdespaihjuq3q71vczsovispihjvl1if1f8dk5u Usqp Cau

Sumador Restador Con Amplificador Operacional Youtube

Op Amp Varieties

Amplificador Seguidor Sumador Restador

Amplificador Restador F1319 Ujat Studocu

3 4 Amplificadores Operacionales Pptx Amplificadores Operacionales Sumador Restador Integrador Derivador Y Comparador Lazo Cerrado Se Conoce Como Lazo Course Hero

Amplificador Operacional Alipso Com Monografias Resumenes Biografias Y Tesis Gratis

Amplificador Operacional Wikipedia

Www Studocu Com Es Mx Document Universidad Autonoma De Guadalajara Electronica Digital Ensayos Amplificador Restador View

Amplificador Restador Operacionales

Tema 58 Circuitos Electronicos Analogicos Basicos Oposinet

El A O Como Sumador Restador Y Comparador Electronica Y La Web Practicas Tutoriales Y Utilidades

Amplificador Restador Electronica Analogica Practicas O Problemas Eli Lona Apos S

Amplificador Operacional Sumador Restador Nacotisrepoko S Diary

Amplificador Restador Youtube

Http Quegrande Org Apuntes Grado 1g Teg Teoria 10 11 Tema 12 Amplificador Operacional Aplicaciones Pdf

Amplificador Operacional Diferencial O Restador Pedir Cita Previa Madrid

Amplificador Sumador Restador

Amp Op Sumador Y Restador Amplificadores Operacionales

Amplificadores Operacionales Introduccion A La Electronica Ppt Descargar

Crear Un Restador De Amplificador Operacional Diferencial Con Suministro Unico Electronica

Amplificador Operacional De Instrumentacion Ejercicios Resueltos Sms Cita Previa Telefono

Ppt Amplificadores Operacionales Powerpoint Presentation Free Download Id

Amplificador Operacional Sumador Restador Inversor Pedir Cita Medico Sergas

T5 Amplificador Operacional

Electrotutorial 353 Amplificador Sumador Restador 04 Op Amp Youtube

Amplificador Operacional Ppt Descargar

Amplificador Restador

El A O Como Sumador Restador Y Comparador Electronica Y La Web Practicas Tutoriales Y Utilidades

Opamp Como Restador Electronica Analogica 4º E S O

Amplificador Operacional Comparador A Restador

Www Studocu Com Es Mx Document Universidad Autonoma De Chiapas Fundamentos De Fisica Practicas Amplificador Operacional Sumador Restado View

Calculo De Cmrr Con Amplificadores Operacionales Upv Youtube

5 4 Amplificador Restador Elec07 Amplificadores

Practica Nº4 Amplificador Operacional Amplificador

Amplificadores Operacionales Ii Presentacion Powerpoint Monografias Com

Restador Inversor Teoria De Circuitos Dc

Electrotutorial 441 Amplificador Restador 52 Op Amp Youtube

Amplificador Operacional 741 Alimentacion Doble Tinkercad

Analisis De Amplificadores Operacionales Youtube

Amplificador Restador Youtube

P1leb 10 11 Practica 2 Amplificador Operacional Amplificador

Amplificadorlf353

Disenar Un Amplificador Operacional Diferencial Restador Electronica

Amplificadores Operacionales

Amplificadores Operacionales Ppt Descargar

Doc Amplificador Operacional Sumador Restador Fabian Diaz Academia Edu

Amplificador Sumador Restador

Amplificador Operacional Wikipedia

Amplificador Restador